PVC-U Cross DN15-200 GB Standard

Racorduri PVC-U gri închis la prețuri competitive, cu clemă egală, în cruce, în T și în cruce, fitinguri de țevi din plastic pentru alimentare cu apă și sanitare DN15-DN600
Locul de origine: China
Nume de marcă: KXPV
Tehnica: forjată
Conexiune: priză
Forma: Egal
Cod cap: pătrat
Material: PVC-U
Culoare: Gri închis
Dimensiune: DN15-DN600
Aplicație: Industrie
Ambalare: cutie de carton
Timp de livrare: 7 zile
MOQ: 1 bucată
Capacitate de aprovizionare: 10000 bucăți / bucăți pe lună

Lista legată de temperatură a aplicației
Material Temperatura medie℃ Material Temperatura medie℃
PVC-C -20℃~ 95℃ PVC-U -5℃~ 45℃
FRPP -20℃~ 120℃ PPH -20℃~ 110℃
PVDF 40℃~ 150℃

Caracteristici structurale ale produsului

1. Ușor: PVC-U are doar 1/10 din greutatea fontei, făcându-l ușor de transport și instalat, reducând costurile.
2. Rezistență chimică superioară: PVC-U are o rezistență excelentă la acizi și alcaline, cu excepția acizilor puternici și a alcalinelor în apropierea punctului de saturație.
3. Durabil: PVC-U oferă o rezistență excelentă la intemperii și este rezistentă la coroziune de către bacterii și ciuperci.
4. Neconductiv: PVC-U este neconductiv și nu este susceptibil la coroziune prin electroliză sau curent electric, eliminând necesitatea procesării secundare. Este neinflamabil și nu suportă arderea, eliminând problemele de siguranță la incendiu.
5. Rezistență scăzută și debit mare: peretele interior neted minimizează pierderile de fluid, iar murdăria este mai puțin probabil să adere la suprafața netedă a țevii, făcând întreținerea simplă și rentabilă.
6. Instalare ușoară și cost redus: Tăierea și îmbinarea sunt simple. Adezivul PVC s-a dovedit a fi sigur, fiabil, ușor de utilizat și rentabil.

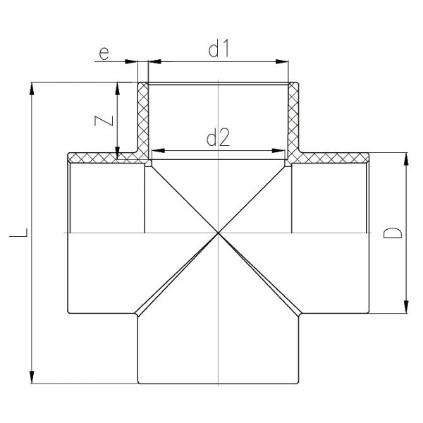
Crucea PVC-U

DN D d1 d2 L Z e
25 40 32 26 80 22 4
32 50 40 33 98 26 5
40 61 50 47 120 31 5.5
50 75 63 59 148 37.5 6
65 88 75 71 169 44 6.5
80 104 90 86 198 51 7
100 127 110 105 238 61 8.5
125 161 140 135 298 76 10.5
150 184 160 154 338 86 12
200 249 225 219 480 118.5 12
Feedback despre mesaj
Despre noi
Kaixin Pipeline Technologies Co., Ltd.
Fondată în 1999, Kaixin Pipeline Technologies Co., Ltd. este o întreprindere de înaltă tehnologie care integrează cercetare și dezvoltare, producție, vânzări și servicii. Compania deține mai multe certificări prestigioase, inclusiv National High-Tech Enterprise, „Little Giant” Specialized and Sophisticated SME, National Single Product Champion (Cultivare), National Technology-based SME, Ningbo Specialized and Sophisticated SME, Ningbo Single Product Champion (Cultivation), Ningbo Polymer Pipe & Valve Technology R&D Center, District-Level Enterprise-Star Green Management, Ningbo Enterprise Management Four-Level Nivelul de maturitate al capacității 2.
Suntem specializați în dezvoltarea, producerea și furnizarea de produse nemetalice rezistente la coroziune pentru aplicații chimice, inclusiv supape din plastic, țevi, fitinguri pentru țevi și pompe rezistente la coroziune. Portofoliul nostru de produse cuprinde materiale precum PVC-C, PVC-U, PVDF, PPH și FRPP, cu o gamă cuprinzătoare de tipuri și specificații. În special, supapele noastre fluture pot atinge DN1000 în diametru, în timp ce țevile și fitingurile se extind până la DN800, abordând lacunele pieței și menținând avantajul nostru competitiv în industrie.
Ghidat de principiul „Tehnologie, ținând pasul cu vremurile”, Kaixin alocă anual aproape 10 milioane RMB pentru cercetare și dezvoltare. Asigurăm calitate superioară a produselor prin producție automatizată standardizată și aprovizionare strictă cu materii prime importate. Aliniați cu strategia noastră de dezvoltare internațională, monitorizăm în permanență tendințele pieței globale și valorificăm canalele digitale pentru a aduce clienților din întreaga lume produse de înaltă calitate „Made in China”.
Ningbo • Baza de cercetare și dezvoltare și producție Fenghua
Cu o investiție totală de 200 de milioane RMB, Kaixin Ultra-Pure Pipe Technology (Ningbo) Co., Ltd. a înființat un nou laborator de materiale în colaborare cu universități și institute de cercetare, a construit o bază de producție modernă și a instalat 8 linii de producție complet automatizate pentru materiale plastice modificate și 8 pentru materiale polimerice. Unitatea este dedicată cercetării și dezvoltării, producției și aplicării noilor materiale plastice modificate și polimeri. Kaixin se angajează, de asemenea, să atragă talente de top în diverse discipline, stimulând continuu inovarea produselor și dezvoltarea mărcii, cu scopul de a deveni un lider recunoscut la nivel global în cercetarea și dezvoltarea și fabricarea de supape, țevi și fitinguri din polimeri.
Certificat de Onoare
  • honor
  • honor
  • honor
  • honor
  • honor
  • honor
  • honor
  • honor
  • honor
Știri