Lista legată de temperatură a aplicației
Material Temperatura medie℃ Material Temperatura medie℃
PVC-C -20℃~ 95℃ PVC-U -5℃~ 45℃
FRPP -20℃~ 120℃ PPH -20℃~ 110℃
PVDF 40℃~ 150℃

Caracteristici structurale ale produsului

1. Ușor: PVC-U are doar 1/10 din greutatea fontei, făcându-l ușor de transport și instalat, reducând costurile.
2. Rezistență chimică superioară: PVC-U are o rezistență excelentă la acizi și alcaline, cu excepția acizilor puternici și a alcalinelor în apropierea punctului de saturație.
3. Durabil: PVC-U oferă o rezistență excelentă la intemperii și este rezistentă la coroziune de către bacterii și ciuperci.
4. Neconductiv: PVC-U este neconductiv și nu este susceptibil la coroziune prin electroliză sau curent electric, eliminând necesitatea procesării secundare. Este neinflamabil și nu suportă arderea, eliminând problemele de siguranță la incendiu.
5. Rezistență scăzută și debit mare: peretele interior neted minimizează pierderile de fluid, iar murdăria este mai puțin probabil să adere la suprafața netedă a țevii, făcând întreținerea simplă și rentabilă.
6. Instalare ușoară și cost redus: Tăierea și îmbinarea sunt simple. Adezivul PVC s-a dovedit a fi sigur, fiabil, ușor de utilizat și rentabil.

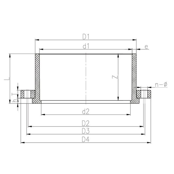
Flanșă PVC-U Vanstone

DN D1 D2 D3 D4 d1 d2 L T h Z n-Φ
15 27 59 70 95 20 18 22 16 1.5 16 4-Φ15X20,5
20 32 70 75 105 25 23 25 18 1.5 19 4-15X17,5
25 40 79 90 125 32 29 28 18 1.5 22 4-Φ15X20,5
32 50 89 100 140 40 36 31.5 20 1.5 26 4-Φ18X24,5
4 61 98 110 150 50 4 37 20 2 31 4-Φ18X24
50 75 120 125 165 63 58 44 25 2 38 4-Φ18X20,5
65 88 140 145 185 75 69 50 25 2 44 4-Φ18X20,5
80 105 150 160 200 90 84 57 26 2.5 51 8-Φ18X23
100 127 175 190.5 229 110 105 67 26 2.5 61 8-Φ18X26
125 161 210 250 140 130 84 28 12.5 77 8-Φ19
150 182 240 285 160 150 93 31 12.5 85 8-Φ23
200 249 295 339 225 215 127 36 16 119 8-Φ23X25
200 254 295.8 341 225 215 127 33.1 16 119 12-Φ22
250 308 350 395 280 267 154 40.5 16.5 144 12-Φ23
300 346 400 445 315 305 170 43 18 160 12-Φ23
350 395 460 505 355 340 176 43 16 164.5 16-Φ23
400 442 515 570 400 382 219 43 22 200 16-Φ27
450 494 565 625 450 430 220 40 27 210 20-Φ26
500 548 620 670 500 475 210 43 25 185 20-Φ27
Feedback despre mesaj
Despre noi
Kaixin Pipeline Technologies Co., Ltd.
Fondată în 1999, Kaixin Pipeline Technologies Co., Ltd. este o întreprindere de înaltă tehnologie care integrează cercetare și dezvoltare, producție, vânzări și servicii. Compania deține mai multe certificări prestigioase, inclusiv National High-Tech Enterprise, „Little Giant” Specialized and Sophisticated SME, National Single Product Champion (Cultivare), National Technology-based SME, Ningbo Specialized and Sophisticated SME, Ningbo Single Product Champion (Cultivation), Ningbo Polymer Pipe & Valve Technology R&D Center, District-Level Enterprise-Star Green Management, Ningbo Enterprise Management Four-Level Nivelul de maturitate al capacității 2.
Suntem specializați în dezvoltarea, producerea și furnizarea de produse nemetalice rezistente la coroziune pentru aplicații chimice, inclusiv supape din plastic, țevi, fitinguri pentru țevi și pompe rezistente la coroziune. Portofoliul nostru de produse cuprinde materiale precum PVC-C, PVC-U, PVDF, PPH și FRPP, cu o gamă cuprinzătoare de tipuri și specificații. În special, supapele noastre fluture pot atinge DN1000 în diametru, în timp ce țevile și fitingurile se extind până la DN800, abordând lacunele pieței și menținând avantajul nostru competitiv în industrie.
Ghidat de principiul „Tehnologie, ținând pasul cu vremurile”, Kaixin alocă anual aproape 10 milioane RMB pentru cercetare și dezvoltare. Asigurăm calitate superioară a produselor prin producție automatizată standardizată și aprovizionare strictă cu materii prime importate. Aliniați cu strategia noastră de dezvoltare internațională, monitorizăm în permanență tendințele pieței globale și valorificăm canalele digitale pentru a aduce clienților din întreaga lume produse de înaltă calitate „Made in China”.
Ningbo • Baza de cercetare și dezvoltare și producție Fenghua
Cu o investiție totală de 200 de milioane RMB, Kaixin Ultra-Pure Pipe Technology (Ningbo) Co., Ltd. a înființat un nou laborator de materiale în colaborare cu universități și institute de cercetare, a construit o bază de producție modernă și a instalat 8 linii de producție complet automatizate pentru materiale plastice modificate și 8 pentru materiale polimerice. Unitatea este dedicată cercetării și dezvoltării, producției și aplicării noilor materiale plastice modificate și polimeri. Kaixin se angajează, de asemenea, să atragă talente de top în diverse discipline, stimulând continuu inovarea produselor și dezvoltarea mărcii, cu scopul de a deveni un lider recunoscut la nivel global în cercetarea și dezvoltarea și fabricarea de supape, țevi și fitinguri din polimeri.
Certificat de Onoare
  • honor
  • honor
  • honor
  • honor
  • honor
  • honor
  • honor
  • honor
  • honor
Știri